PeakFit是一款非常有名的数据分峰拟合软件,通过该软件,用户可以快速的将数据导入软件进行分析,为用户拟合出各项数据的峰值。除此之外,这款软件界面简洁,操作使用简单,支持大多数数据文件格式导入,包含有AIA、ASCII、函数、Excel等多种数据类型,全方位满足用户的使用需求。PeakFit体积小巧,不占内存,要在后台执行峰拟合,只需将“数值拟合”或“图形拟合”窗口最小化,软件独有的较低优先级的适配线程不会影响系统运行。PeakFit还内置峰值函数集包含三种具有分析形式的不同卷积模型,光谱函数集内的Voigt,以及色谱函数中的EMG和GMG,可以将计算的数据重新导入分析项目,无需完成重建该数据的峰值。
2、运行PF412_Installer.exe,开始安装;
3、输入用户名ru-board和公司随意随意输入即可;
4、选择软件安装路径,默认即可;
5、等待软件安装完成,点击finish退出引导;
6、进入软件,输入序列号7068-DFB3-5183;
7、至此,PeakFit成功激活,所有功能永久免费使用。
2、找到刚才另存的txt 文件
3、数据导入确认,可以设置XY轴标题,一般不用设
4、插入数据后显示的窗口,即基本谱图
二、选取拟合谱峰区间
1、点击快捷工具栏第8个按钮,“section" ;
2、在左侧界面中输入适当的“Xi”和“Xf"值,尽量让谱峰位于图中正中位置,点击“ApplyExisting” ;
3、点击OK返回初始界面;
4、点击快捷工具栏倒数第5个按钮B,进入去基线窗口(该步骤可以省略);
5、拖动鼠标,划出要进行基线校正的区间,点左上角绿色钩应用该操作并返回初始界面;
软件特色
1、卷积 当不同的过程根据两个不同的和独立的扩散函数加宽峰时,所得到的峰被认为包括两种不同功能形式的卷积。卷积的数学形式由积分组成:例如,许多光谱峰由榷状态洛仑兹展宽和独立的高斯仪器展宽形成。高斯和洛伦兹的卷积是Voigt函数,该模型比包括卷积的各个分量复杂得多。 2、卷积模型 两个不同峰值函数的大多数卷积对于卷积积分缺少闭合形式解。 PeakFit的内置峰值函数集包含三种具有分析形式的不同卷积模型,光谱函数集内的Voigt,以及色谱函数中的EMG和GMG。 卷积模型的独特之处在于拟合函数的参数直接描述了卷积中的分量。这是在峰值拟合内实际发生的唯一的反卷积形式。这是一个最有吸引力的方法,因为它准确地解决卷积积中的两个分量,而不会引入噪声,并且可以重叠和隐藏峰值。 3、解卷积 解卷积本质上是卷积的撤销或逆转。它通常在傅里叶域中用离散数据完成,并且通常去除仪器响应函数。反卷积的FFT形式涉及必须使用一些有效形式的频域过滤来处理的噪声的主要引入。 4、仪器响应函数 当不完全的测量仪器有助于峰值展宽时,描述该效应的函数被称为仪器响应函数。大多数去卷积的目的是去除器械拖尾,以便产生没有仪器失真的信号信号。 5、解卷积光谱或高斯仪器响应函数 大多数光谱仪器响应函数在形式上倾向于是高斯的。因此,大多数光谱峰将由它们的榷状态洛伦兹形式和该高斯拖尾的卷积组成。独立的高斯和洛伦兹展宽可以通过拟合Voigt模型来解决。您还可以通过使用高斯响应函数对傅里叶域中的数据进行第一反卷积来去除高斯拖尾。HELP19、png“准备菜单”中的Deconvolve Gaussian IRF选项提供了一个自动化的FFT高斯反卷积程序,可用于在拟合之前删除仪器效应。PeakFit安装教程
1、下载解压,得到Systat PeakFit4.12源文件和注册信息;
2、运行PF412_Installer.exe,开始安装;
3、输入用户名ru-board和公司随意随意输入即可;
4、选择软件安装路径,默认即可;
5、等待软件安装完成,点击finish退出引导;
6、进入软件,输入序列号7068-DFB3-5183;
7、至此,PeakFit成功激活,所有功能永久免费使用。
使用教程
一、导入数据 File→Import插入数据文件 1、此处一般导入txt 文档,如测试提供的是.xIs文件,则最好将数据单独拷贝到记事本中保存,可以更加简明。
2、找到刚才另存的txt 文件
3、数据导入确认,可以设置XY轴标题,一般不用设
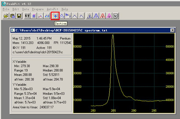
4、插入数据后显示的窗口,即基本谱图
二、选取拟合谱峰区间
1、点击快捷工具栏第8个按钮,“section" ;
2、在左侧界面中输入适当的“Xi”和“Xf"值,尽量让谱峰位于图中正中位置,点击“ApplyExisting” ;
3、点击OK返回初始界面;
4、点击快捷工具栏倒数第5个按钮B,进入去基线窗口(该步骤可以省略);
5、拖动鼠标,划出要进行基线校正的区间,点左上角绿色钩应用该操作并返回初始界面;

