cad2017官方中文版32位是autodesk公司针对32位操作系统推出的一款全自动计算机辅助设计软件,全称:autocad2017。它具有二维制图、详细绘制、设计文档和三维设计等基本功能,被广泛应用于土木建筑,装饰装潢,工业制图,工程制图,电子工业,服装加工等领域。有着非常完善的图形绘制功能,用户可以以各种方式创建直线、圆、椭圆、多边形和样式曲线等图形。并且,autocad2017有着强大的图形编辑功能,可以进行移动、复制、旋转、阵列、拉伸、延长、修剪、缩放对象等图像编辑。甚至还可以采用多种方式进行二次开发或用户定制,并可进行多种图形格式的转换,具有较强的数据交换能力。
autocad2017相比之前的版本也进行了重大的改革,现在用户可以借助它提供的全新生成工具,创建出令人惊叹的设计并改善协作。同时还可使用全新的Autodesk桌面应用程序,进行软件更新的轻松管理。并且,只需单击两次即可将工程视图发布到云中,以此来方便合作者的共享。甚至还能将PDF文件中的几何图形作为autocad对象输入到图形中,利用全新的工具创建和编辑中心线和中心标记,有需要的朋友欢迎下载体验。
2、打开解压后的文件夹,鼠标右击【CAD_2017_32bit】选择【以管理员身份运行】。
3、点击【确定】(可点击“更改”选择目标文件夹的路径,注意目标文件夹的路径不能有中文,软件安装完成后可删除此文件夹)。
4、等待安装包解压完成。
5、点击【安装】。
6、选择【我接受】,点击【下一步】。
7、点击【浏览】可更改安装位置(建议不要安装在C盘,可以在D盘或其它磁盘下新建一个“CAD2017”文件夹。注:安装路径中不能有中文),点击【安装】。
8、软件安装中(大约需要10分钟)。
9、安装完成,点击【完成】。
10、点击【否】。
11、双击桌面【AutoCAD 2017 - 简体中文 (Simplified Chinese)】图标启动软件。
12、点击【输入序列号】。
13、点击【我同意】。
14、点击【激活】。
15、输入序列号【666-69696969】,输入产品密钥【001i1】,点击【下一步】。
16、点击右上角【X】退出。
17、点击【激活】。
18、输入序列号【666-69696969】,输入产品密钥【001i1】,点击【下一步】。
19、选择【我具有Autodesk提供的激活码】(不要关闭此界面)。
20、打开安装包解压后的【CAD2017】文件夹,鼠标右击【xf-adsk2017_x32】选择【以管理员身份运行】。
再次提示
①运行【xf-adsk2017】前:先关闭“所有杀毒软件(部分电脑自带的“迈克菲”也要关闭)、防火墙、Windows Defender”,否则可能会被杀毒软件误杀无法运行。若已经没有该文件,需重新解压安装包。
21、生成激活码:①使用快捷键“Ctrl+C”复制【申请号】后的代码;②使用快捷键“Ctrl+V”将代码粘贴到【Request】后的框中;③点击【Patch】;④点击【确定】;⑤点击【Generate】生成激活码。
22、输入激活码:①使用快捷键“Ctrl+C”复制【Activation】后框中的激活码;②使用快捷键“Ctrl+V”将激活码粘贴到【激活码输入框】中;③点击【Quit】;④点击【下一步】。
23、激活成功,点击【完成】。
24、点击【确定】。
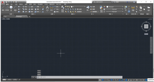
25、安装成功。
autocad2017中文版32位新功能介绍
1、平滑移植 移植现在更易于管理。新的移植界面将 AutoCAD 自定义设置组织为您可以从中生成移植摘要报告的组和类别。 2、PDF支持 您可以将几何图形、填充、光栅图像和 TrueType 文字从 PDF 文件输入到当前图形中。PDF 数据可以来自当前图形中附着的 PDF,也可以来自指定的任何 PDF 文件。数据精度受限于 PDF 文件的精度和支持的对象类型的精度。某些特性(例如 PDF 比例、图层、线宽和颜色)可以保留。 主命令:PDFIMPORT 3、共享设计视图 您可以将设计视图发布到 Autodesk A360 内的安全、匿名位置。您可以通过向指定的人员转发生成的链接来共享设计视图,而无需发布 DWG 文件本身。支持的任何 Web 浏览器提供对这些视图的访问,并且不会要求收件人具有 Autodesk A360 帐户或安装任何其他软件。支持的浏览器包括 Chrome、firefox 和支持 WebGL 三维图形的其他浏览器。 主命令:ONLINEDESIGNSHARE 4、关联的中心标记和中心线 您可以创建与圆弧和圆关联的中心标记,以及与选定的直线和多段线线段关联的中心线。出于兼容性考虑,此新功能并不会替换您当前的方法,只是作为替代方法提供。 主命令:CENTERMARK、CENTERLINE 5、协调模型:对象捕捉支持 您可以使用标准二维端点和中心对象捕捉在附着的协调模型上指定精确位置。此功能仅适用于 64 位 AutoCAD。 主系统变量:CMOSNAP 6、用户界面 已添加了几种便利条件来改善用户体验。 ①现在可调整多个对话框的大小:APPLOAD、ATTEDIT、DWGPROPS、EATTEDIT、INSERT、LAYERSTATE、PAGESETUP 和 VBALOAD。 ②在多个用于附着文件以及保存和打开图形的对话框中扩展了预览区域。 ③可以启用新的 LTGAPSELECTION 系统变量来选择非连续线型间隙中的对象,就像它们已设置为连续线型一样。 ④您可以使用 CURSORTYPE 系统变量选择是在绘图区域中使用 AutoCAD 十字光标,还是使用 Windows 箭头光标。 ⑤您可以在“选项”对话框的“显示”选项卡中指定基本工具提示的延迟计时。 ⑥您可以轻松地将三维模型从 AutoCAD 发送到 Autodesk Print Studio,以便为三维打印自动执行最终准备。Print Studio 支持包括 Ember、Autodesk 的高精度、高品质(25 微米表面处理)制造解决方案。此功能仅适用于 64 位 AutoCAD。 7、性能增强功能 ①已针对渲染视觉样式(尤其是内含大量包含边和镶嵌面的小块的模型)改进了 3DORBIT 的性能和可靠性。 ②二维平移和缩放操作的性能已得到改进。 ③线型的视觉质量已得到改进。 ④通过跳过对内含大量线段的多段线的几何图形中心 (GCEN) 计算,从而改进了对象捕捉的性能。 8、AutoCAD 安全 位于操作系统的 UAC 保护下的 Program Files 文件夹树中的任何文件现在受信任。此信任的表示方式为在受信任的路径 UI 中显示隐式受信任路径并以灰色显示它们。同时,将继续针对更复杂的攻击加固 AutoCAD 代码本身。 9、其他更改 ①现在,可以为新图案填充和填充将 HPLAYER 系统变量设置为不存在的图层。在创建了下一个图案填充或填充后,就会创建该图层 ②现在,所有标注命令都可以使用 DIMLAYER 系统变量。 ③TEXTEDIT命令现在会自动重复。 ④已从“快速选择”和“清理”对话框中删除了不必要的工具提示。 ⑤新的单位设置(即美制测量英尺)已添加到 UNITS 命令中的插入比例列表。 ⑥新的 AutoCAD 命令和系统变量参考 ⑦提供快速指南,说明在此版本中新增了哪些命令。cad2017官方中文版32位安装教程
1、鼠标右击【AutoCAD_8756.zip】压缩包(Win11及以上系统需先点击“显示更多选项”)选择【解压到 AutoCAD_8756】。 温馨提示 ①解压安装包前:先关闭“所有杀毒软件(部分电脑自带的“迈克菲”也要关闭)、防火墙、Windows Defender”,否则可能会被杀毒软件误杀导致无法运行或缺失某些程序。
2、打开解压后的文件夹,鼠标右击【CAD_2017_32bit】选择【以管理员身份运行】。
3、点击【确定】(可点击“更改”选择目标文件夹的路径,注意目标文件夹的路径不能有中文,软件安装完成后可删除此文件夹)。
4、等待安装包解压完成。
5、点击【安装】。
6、选择【我接受】,点击【下一步】。
7、点击【浏览】可更改安装位置(建议不要安装在C盘,可以在D盘或其它磁盘下新建一个“CAD2017”文件夹。注:安装路径中不能有中文),点击【安装】。
8、软件安装中(大约需要10分钟)。
9、安装完成,点击【完成】。
10、点击【否】。
11、双击桌面【AutoCAD 2017 - 简体中文 (Simplified Chinese)】图标启动软件。
12、点击【输入序列号】。
13、点击【我同意】。
14、点击【激活】。
15、输入序列号【666-69696969】,输入产品密钥【001i1】,点击【下一步】。
16、点击右上角【X】退出。
17、点击【激活】。
18、输入序列号【666-69696969】,输入产品密钥【001i1】,点击【下一步】。
19、选择【我具有Autodesk提供的激活码】(不要关闭此界面)。
20、打开安装包解压后的【CAD2017】文件夹,鼠标右击【xf-adsk2017_x32】选择【以管理员身份运行】。
再次提示
①运行【xf-adsk2017】前:先关闭“所有杀毒软件(部分电脑自带的“迈克菲”也要关闭)、防火墙、Windows Defender”,否则可能会被杀毒软件误杀无法运行。若已经没有该文件,需重新解压安装包。
21、生成激活码:①使用快捷键“Ctrl+C”复制【申请号】后的代码;②使用快捷键“Ctrl+V”将代码粘贴到【Request】后的框中;③点击【Patch】;④点击【确定】;⑤点击【Generate】生成激活码。
22、输入激活码:①使用快捷键“Ctrl+C”复制【Activation】后框中的激活码;②使用快捷键“Ctrl+V”将激活码粘贴到【激活码输入框】中;③点击【Quit】;④点击【下一步】。
23、激活成功,点击【完成】。
24、点击【确定】。
25、安装成功。

